简要回答
单片机是一种集成电路芯片。在单片机程序的控制下能准确、迅速、高效地完成程序设计者事先规定的任务。单片机最小系统,或者称为最小应用系统,是指用最少的元件组成的单片机可以工作的系统。下面给大家介绍51单片机最小系统,一起学习。
详细内容
- 01
下图是最小系统原理图,就是靠这四个部分,单片机就可以运行起来了。第一部分电源组,习惯说负极为”地”,上面GND就是英文ground的缩写。第二部分晶振组,过滤掉晶振部分的高频信号,让晶振工作的时候更加稳定。

- 02
第三部分复位组,单片机自动复位,从零开始执行程序,这个就是复位的概念。第四部分其它功能组,使用单片机的内部存储器,如果内部存储器不够容量,最多选择更高级容量的单片机型号,就可以解决问题。

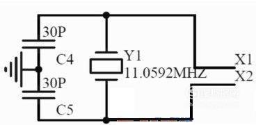
- 03
51单片机最小系统晶振的振荡频率直接影响单片机的处理速度,频率越大处理速度越快。

- 04
对于一个完整的电子设计来讲,首要问题就是为整个系统提供电源供电模块,电源模块的稳定可靠是系统平稳运行的前提和基础。51单片机虽然使用时间最早、应用范围最广,但是在实际使用过程中,一个和典型的问题就是相比其他系列的单片机,51单片机更容易受到干扰而出现程序跑飞的现象,克服这种现象出现的一个重要手段就是为单片机系统配置一个稳定可靠的电源供电模块。
此最小系统中的电源供电模块的电源可以通过计算机的USB口供给,也可使用外部稳定的5V电源供电模块供给。电源电路中接入了电源指示LED,图中R11为LED的限流电阻,S1 为电源开关。
- 05
复位电路由按键复位和上电复位两部分组成。
上电复位:STC89系列单片及为高电平复位,通常在复位引脚RST上连接一个电容到VCC,再连接一个电阻到GND,由此形成一个RC充放电回路保证单片机在上电时RST脚上有足够时间的高电平进行复位,随后回归到低电平进入正常工作状态,这个电阻和电容的典型值为10K和10uF。
按键复位:按键复位就是在复位电容上并联一个开关,当开关按下时电容被放电、RST也被拉到高电平,而且由于电容的充电,会保持一段时间的高电平来使单片机复位。
- 06
单片机系统里都有晶振,在单片机系统里晶振作用非常大,全程叫晶体振荡器,他结合单片机内部电路产生单片机所需的时钟频率,单片机晶振提供的时钟频率越高,那么单片机运行速度就越快,单片接的一切指令的执行都是建立在单片机晶振提供的时钟频率。
在通常工作条件下,普通的晶振频率绝对精度可达百万分之五十。高级的精度更高。有些晶振还可以由外加电压在一定范围内调整频率,称为压控振荡器(VCO)。晶振用一种能把电能和机械能相互转化的晶体在共振的状态下工作,以提供稳定,精确的单频振荡。
- 07
P0口外接上拉电阻。
51单片机的P0端口为开漏输出,内部无上拉电阻,如下图。所以在当做普通I/O输出数据时,由于V2截止,输出级是漏极开路电路,要使“1”信号(即高电平)正常输出,必须外接上拉电阻。
- 08
通用型。
这是按单片机(Microcontrollers)适用范围来区分的。例如,80C51式通用型单片机,它不是为某种专门用途设计的;专用型单片机是针对一类产品甚至某一个产品设计生产的,例如为了满足电子体温计的要求,在片内集成ADC接口等功能的温度测量控制电路。
- 09
总线型。
这是按单片机(Microcontrollers)是否提供并行总线来区分的。总线型单片机普遍设置有并行地址总线、 数据总线、控制总线,这些引脚用以扩展并行外围器件都可通过串行口与单片机连接,另外,许多单片机已把所需要的外围器件及外设接口集成一片内,因此在许多情况下可以不要并行扩展总线,大大减省封装成本和芯片体积,这类单片机称为非总线型单片机。
- 010
控制型。
这是按照单片机(Microcontrollers)大致应用的领域进行区分的。一般而言,工控型寻址范围大,运算能力强;用于家电的单片机多为专用型,通常是小封装、低价格,外围器件和外设接口集成度高。 显然,上述分类并不是惟一的和严格的。例如,80C51类单片机既是通用型又是总线型,还可以作工控用。
工具/材料
单片机
点击排行
- 2 排行
- 3 排行
- 4 排行
- 5 排行
- 6 排行
- 7 排行
- 8 排行
- 9 排行
- 10 排行



